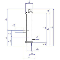
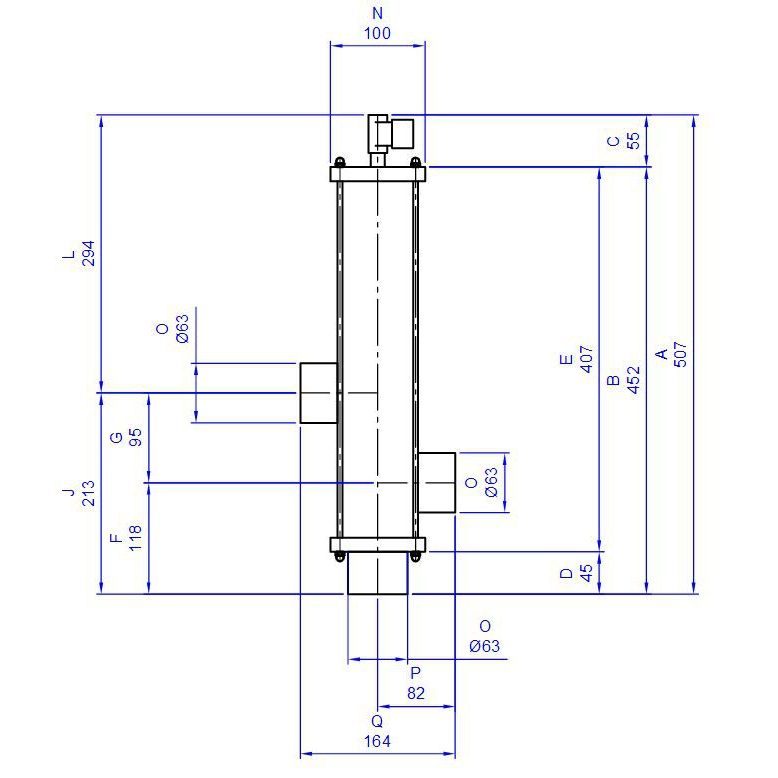
3-поз. клапан обратной промывки DN 50/D63 мм/Швеция
Заказать звонок
- Описание
3 позиционный клапан Besgo DN 50/D63 мм, с электромагн. кл-ном 230 В
Экономичный режим
Циркуляция через донный слив:
Путем установки трехходового клапана Besgo и управления AS Control Plus воду можно направить либо через переливные желоба, либо непосредственно из бассейна, в зависимости от наружной температуры.
В экономичном режиме (прием непосредственно из резервуара) вода не течет по желобу. Испарение и, следовательно, потери энергии значительно сокращаются. Экономичность не менее 10 000 кВтч за сезон.
Популярные товары
-
Арт. 012608047 188,83 BYN
-
Арт. 01611001684,04 BYN
-
Арт. 011180131 192,87 BYN
-
Арт. 0135050234,56 BYN
-
Арт. 01421018977,20 BYN
-
Арт. 01533152270,36 BYN
-
Арт. 0153232026,87 BYN
-
Арт. 013505265,34 BYN
-
Арт. 014301382 983,71 BYN


